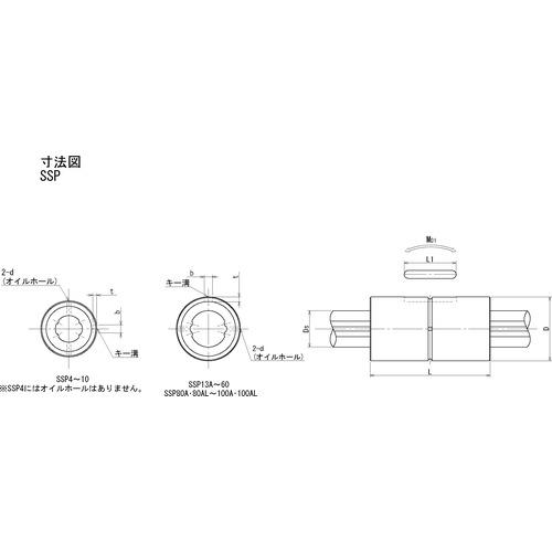
NB ボールスプライン用シャフト ( SSP16A-300 )

特長ボルスプラインはボルの転がり運動を利用した直線運動機構ですラジアル荷重とトルクを同時に負荷できることから搬送装置やロボットなど幅広い分野で使用されています仕様全長軸径ボルスプライン用シャフト材質仕上スチル製 特長 ボルスプラインはボルの転がり運動を利用した直線運動機構ですラジアル荷重とトルクを同時に負荷できることから搬送装置やロボットなど幅広い分野で使用されています 仕様 全長軸径 材質仕上 スチル製