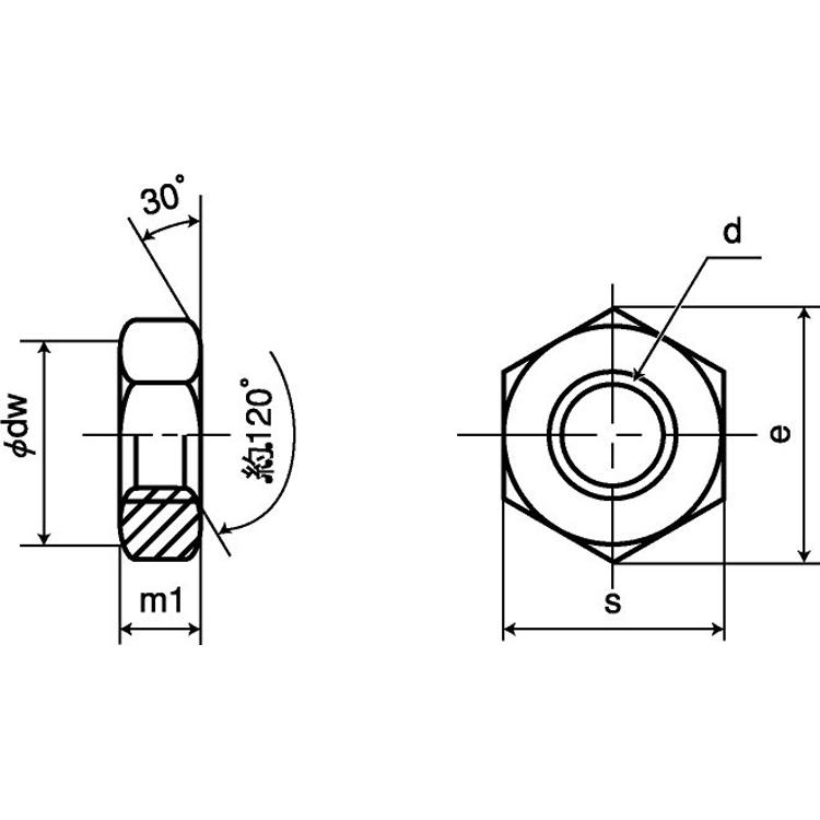
六角ナット(3種(ECO−BS【5000個】ECO-BSナット(3シュ M2.6 黄銅/生地(または標準)

商品画像は白黒のため実際の商品とは異なります